全ての商品
〈併設:電気計測器レンタル〉
SOUKOU
数字
A
AD・ADGR・ADT
AMB・AMT
B
BCT
C
CBT
CC・CGRT
CR
CRT
D
DC
DGR
DMC・DMM・DMR
DPU・DR・DTT
E
E3
ECT・ELB・ERC
ET
F
FVT
G
GER
GR・DGR
H
HD
HMR・HSCB
HVM
HVT
I
IP
IP-11K
IP-15K
IP-25K
IP-30K
IP-50K
L
LH
L-K
L-22K
L-30K
L-50K
L-75.9
M
MGA
MK
MSC
O
OCR
P
PCC
PF
PT
R
RT
S
SET・SRL
SCK
T
TL
TT-K
TT-15K
TT-25K
TT-30K
TT-50K
TT-75K
TT-100K
T-K
V
VCB
VCBT
VR
W
WS
MUSASHI
W
清掃・洗浄機器レンタル
Panasonic
クローラー洗浄機
プールクリーナー「翠」
高圧洗浄機
スーパー工業(株)
生産終了製品
フルテック
カタログ・関連資料
メーカ/カタログ
ガソリンエンジン式洗浄機
開放コンパクト型JA
開放コンパクト型JA/JX
開放コンパクト型JQ/JP/JQ-N
開放カート型GC
開放フレーム型GF
フィルター内蔵開放フレーム型GK
GK/ステンレスタンク付ボックス型ST-G
セル付開放型GFS
簡易防音型GE
防音型GBX/GB
セル付防音型GSB/GSX
GSB
GSB730
GSB1021
GSB1515
GSB2013
GSB2015
GSB1520
GSB1030sd
ディーゼルエンジン式洗浄機
セル付防音型DSB
5100DSB
モーター式洗浄機
100Vキャリー型
100Vカート型
フレーム型MF
カート型TX/TSX/MPF
カート型MPC
ステンレスタンク付ボックス型ST-M
省スペース型MH
MH1011P
MH1518P
MH2014P
MH3018P
MH3515P
MH5020P
MH7015P
MH10010iP
製品
標準付属品
省スペース防爆モーター搭載MI
ペンジェットクリーナーPJ
モーター式洗浄機(温水)
貯湯式温水洗浄機PH
温水型HC
HC806
HC1513
HC2015
無燃焼式温水形CH
温水ユニット
温水ユニットG
ミスト装置
ミストシステムMS-P/704・708
アクセサリー
ミストユニットMUM602
その他製品
ボリュームジェットVJ
ライムワイヤーLW
スチームクリーナー
特注機
洗浄機アクセサリ-
洗浄ガン
超高圧洗浄ガン本体
大容量洗浄ガン本体
肩当てサポート
ウィーピング洗浄ガン
トリガなしガン
超高圧ダンプガンセット
洗浄ガン・カプラー付
標準ランス・各種ランス・タービンガン
標準ノズル・各種ノズル・洗浄ホース
カプラ・クリーナー・インジェクター
KYUU水アクセサリー・フィルター
FII
バルブ
フットバルブ/ジョイント
洗管ノズル
RO
RT3/BFS(6)
RT1/2FS(6)
ロケットノズル前方
RT1/8FS(3+1)
RT1/4FS(3+1)
RT3/8FS(3+1)
スネークノズル
SKM7FS
SK1/BFS
SK1/4FS
ターボノズル前進型
TB1/8F
TB1/4F
TB3/8F
ターボノズル懸垂型
洗管ノズル
シャトルノズル
超旋回ノズル
ロケットノズル
回転ノズルミニ
ミリングノズル
エッジ付ターボノズル
側溝ノズル
洗管ホース
ウレタンホース
ネットワイヤーホース
ウレタンコートネットワイヤーホース
ウレタンオレンジホース
ウレタンオレンジホース(ノズル付)
ウレタンブラックホース
塩ビホース
スイーパー/発電機/ポータブルファン
業務手押式式スイーパー
発電機
ポータブルファン
集荷レール/ガソリン携行
アルミ積荷レール
車輪ストッパー
バキュームクリーナー
パイプクリーナー
ガソリン携行缶
燃料劣化防止剤
ポンプ/エンジンオイル
防護服
ツルミ
ジェットポンプ
MTWMTWMTW
HPJ型
タンク付・高処揚水タイプ
100・200・300
500・700
1000・5000・7000
1000
7000
10000
15000
HPJ-H型
HPJ-100
HPJ-200
HPJ-300
HPJ-500
HPJ-700
HPJ-E型
ノズル一覧
ノズル
タイヤ洗浄システムMTW形
各種ツルミ関連商品
JS型/可搬式集塵
JV型/掃除用ジェットバキューマー
JF型/換気用ジェットファン
TBW型/長靴洗浄用長靴洗浄機
エバラ
TRD型ラバーベーンポンプ
本体
TRD型部品
001~099
100~119
120~129
130~274
605~901-2
ケルヒャー
家庭用
高圧洗浄機
散水シリーズ
スイーパー
モバイルクリーナー
スチームクリーナー
窓用バキュームクリーナー
バキュームクリーナー
スティッククリーナー
フロアクリーナー
アクセサリー
洗浄剤
コードレス
業務用
高圧洗浄機
バキュームクリーナー
カーペットクリーナー
スチームクリーナー
窓用バキュームクリーナー
床洗浄機
スイーパー、バキュームスイーパー
産業用バキュームクリーナー
シティクリーナー
ドライアイス洗浄
マニュアルクリーニング
洗浄剤
アクセサリー
キョーワ
キョーワクリーン
キョ-ワテスター
手動テストポンプ
ジェットポンプ
備品一覧
KYC-708
KYC-708本体
カタログ請求
リョービ
キョーワテスター
キョーワ手動/テスター
T-50K/KP・100K
T-50/300/500/1000・N
オプション
T-508/水圧テスタテスタ-
面取機
カラン用水圧測定器
水槽付電動テストポンプ
A-type・KY-20A/40A型
B-type・KY-100型
C-type・KY-300型
D-type・KY-300N型
E-type・KY-400/400H型
F-type/KY-400H型
G-type/KY-300E型
H-type・KY-400E型
KY-20A/40A用付属品
キョーワクリーン
A-type・KYC-20A/40A型
B-type・KYC-408/210N-1型
C-type・KYC-300型
D-type・KYC-300H型
E-type・KYC-400/400H型
F-type・KYC-300E/400E
G-type・KYC-300EH型
H-type・KYC-500E型
J-type・KYZ型
L-type・KYC-100EN-1型-
各種ノズル関係
洗浄ノズル及び部品
洗管用ノズル
ホースリール及びポリタンク
ジェットポンプ
高圧洗浄機メーカ各社
蔵王産業㈱
(株)工進
他社・当社/NET価格競争
高圧洗浄機
JCEシリーズ
共通バッテリーシリーズ
充電式草刈機
手押式充電草刈機
本体
オプション
手押式エンジン草刈機
伸縮ポールヘッジトリマ
伸縮ポールヘッジトリマ
ヘッジトリマー
本体
オプション
各種
小型チェンソー
チェンソー
伸縮ポールチェンソー
ブロワ
サイクロン掃除機
サイクロン掃除機・パーツ
洗浄機・高圧洗浄機
除雪機
エンジン式
充電式
発電機
インバーター
スタンダード
噴霧器・他
SLS/バッテリー充電式
エンジン動噴
ES/カスケード式
ES/高圧シングルピストン式
MS-ERH/タンクキャリー式
DM-30/洗浄動噴射
MS-25/電動噴霧器
背負式
除草専用
手動式
除草専用落下式
ステンレス製
肩掛式手動
電気式
電池式
蓄圧式
肥料散布機・散粒機・散粉機
水中ポンプ
YK-▢▢▢・YK-▢▢▢A
SMB・SM・FT・SM-X
PX/汚水用
PSK/汚物用
PZ/汚物用
SK-▢▢▢▢/海水用
エンジンポンプ・他
エンジンポンプ
超軽量4サイクルエンジン搭載
2サイクルエンジン搭載
SEV/工進
SE(R)H-50V/高圧
SEM/三菱
SEM-GB/三菱
SEH-50P/ホンダ
PGH-50/高性能樹脂製
モーターポンプ
単体ポンプ・ブロワポンプ
単体ポンプ
AGポンプ
GB単体ポンプ
GC単体ポンプ
SU単体ポンプ
浄化槽用エアーポンプ
ドラムポンプ
手動ドラムポンプ
電動ドラムポンプ
充電式ドラムポンプ
乾電池ドラムポンプ
(株)工進/販売終了商品
(株)岡常歯車製作所
MRシリーズ
TOHIN/ハイパワークリーナ
クリーナー
ブロワ
換気扇清掃サービス
貯水槽清掃サービス
各種洗浄機器
長靴・靴底洗浄機/長靴乾燥機
販売終了商品
洗浄薬剤
用途
家庭用
碍子
Web市場販売
ホース
見積記録
新規会員登録
お気に入り
ログイン
0
¥0
現在カート内に商品はございません。
高圧洗浄機販売専門ショップ | 日本ポンプ株式会社
〈併設:電気計測器レンタル〉
SOUKOU
数字
A
AD・ADGR・ADT
AMB・AMT
B
BCT
C
CBT
CC・CGRT
CR
CRT
D
DC
DGR
DMC・DMM・DMR
DPU・DR・DTT
E
E3
ECT・ELB・ERC
ET
F
FVT
G
GER
GR・DGR
H
HD
HMR・HSCB
HVM
HVT
I
IP
IP-11K
IP-15K
IP-25K
IP-30K
IP-50K
L
LH
L-K
L-22K
L-30K
L-50K
L-75.9
M
MGA
MK
MSC
O
OCR
P
PCC
PF
PT
R
RT
S
SET・SRL
SCK
T
TL
TT-K
TT-15K
TT-25K
TT-30K
TT-50K
TT-75K
TT-100K
T-K
V
VCB
VCBT
VR
W
WS
MUSASHI
W
清掃・洗浄機器レンタル
Panasonic
クローラー洗浄機
プールクリーナー「翠」
高圧洗浄機
スーパー工業(株)
生産終了製品
フルテック
カタログ・関連資料
メーカ/カタログ
ガソリンエンジン式洗浄機
開放コンパクト型JA
開放コンパクト型JA/JX
開放コンパクト型JQ/JP/JQ-N
開放カート型GC
開放フレーム型GF
フィルター内蔵開放フレーム型GK
GK/ステンレスタンク付ボックス型ST-G
セル付開放型GFS
簡易防音型GE
防音型GBX/GB
セル付防音型GSB/GSX
GSB
GSB730
GSB1021
GSB1515
GSB2013
GSB2015
GSB1520
GSB1030sd
ディーゼルエンジン式洗浄機
セル付防音型DSB
5100DSB
モーター式洗浄機
100Vキャリー型
100Vカート型
フレーム型MF
カート型TX/TSX/MPF
カート型MPC
ステンレスタンク付ボックス型ST-M
省スペース型MH
MH1011P
MH1518P
MH2014P
MH3018P
MH3515P
MH5020P
MH7015P
MH10010iP
製品
標準付属品
省スペース防爆モーター搭載MI
ペンジェットクリーナーPJ
モーター式洗浄機(温水)
貯湯式温水洗浄機PH
温水型HC
HC806
HC1513
HC2015
無燃焼式温水形CH
温水ユニット
温水ユニットG
ミスト装置
ミストシステムMS-P/704・708
アクセサリー
ミストユニットMUM602
その他製品
ボリュームジェットVJ
ライムワイヤーLW
スチームクリーナー
特注機
洗浄機アクセサリ-
洗浄ガン
超高圧洗浄ガン本体
大容量洗浄ガン本体
肩当てサポート
ウィーピング洗浄ガン
トリガなしガン
超高圧ダンプガンセット
洗浄ガン・カプラー付
標準ランス・各種ランス・タービンガン
標準ノズル・各種ノズル・洗浄ホース
カプラ・クリーナー・インジェクター
KYUU水アクセサリー・フィルター
FII
バルブ
フットバルブ/ジョイント
洗管ノズル
RO
RT3/BFS(6)
RT1/2FS(6)
ロケットノズル前方
RT1/8FS(3+1)
RT1/4FS(3+1)
RT3/8FS(3+1)
スネークノズル
SKM7FS
SK1/BFS
SK1/4FS
ターボノズル前進型
TB1/8F
TB1/4F
TB3/8F
ターボノズル懸垂型
洗管ノズル
シャトルノズル
超旋回ノズル
ロケットノズル
回転ノズルミニ
ミリングノズル
エッジ付ターボノズル
側溝ノズル
洗管ホース
ウレタンホース
ネットワイヤーホース
ウレタンコートネットワイヤーホース
ウレタンオレンジホース
ウレタンオレンジホース(ノズル付)
ウレタンブラックホース
塩ビホース
スイーパー/発電機/ポータブルファン
業務手押式式スイーパー
発電機
ポータブルファン
集荷レール/ガソリン携行
アルミ積荷レール
車輪ストッパー
バキュームクリーナー
パイプクリーナー
ガソリン携行缶
燃料劣化防止剤
ポンプ/エンジンオイル
防護服
ツルミ
ジェットポンプ
MTWMTWMTW
HPJ型
タンク付・高処揚水タイプ
100・200・300
500・700
1000・5000・7000
1000
7000
10000
15000
HPJ-H型
HPJ-100
HPJ-200
HPJ-300
HPJ-500
HPJ-700
HPJ-E型
ノズル一覧
ノズル
タイヤ洗浄システムMTW形
各種ツルミ関連商品
JS型/可搬式集塵
JV型/掃除用ジェットバキューマー
JF型/換気用ジェットファン
TBW型/長靴洗浄用長靴洗浄機
エバラ
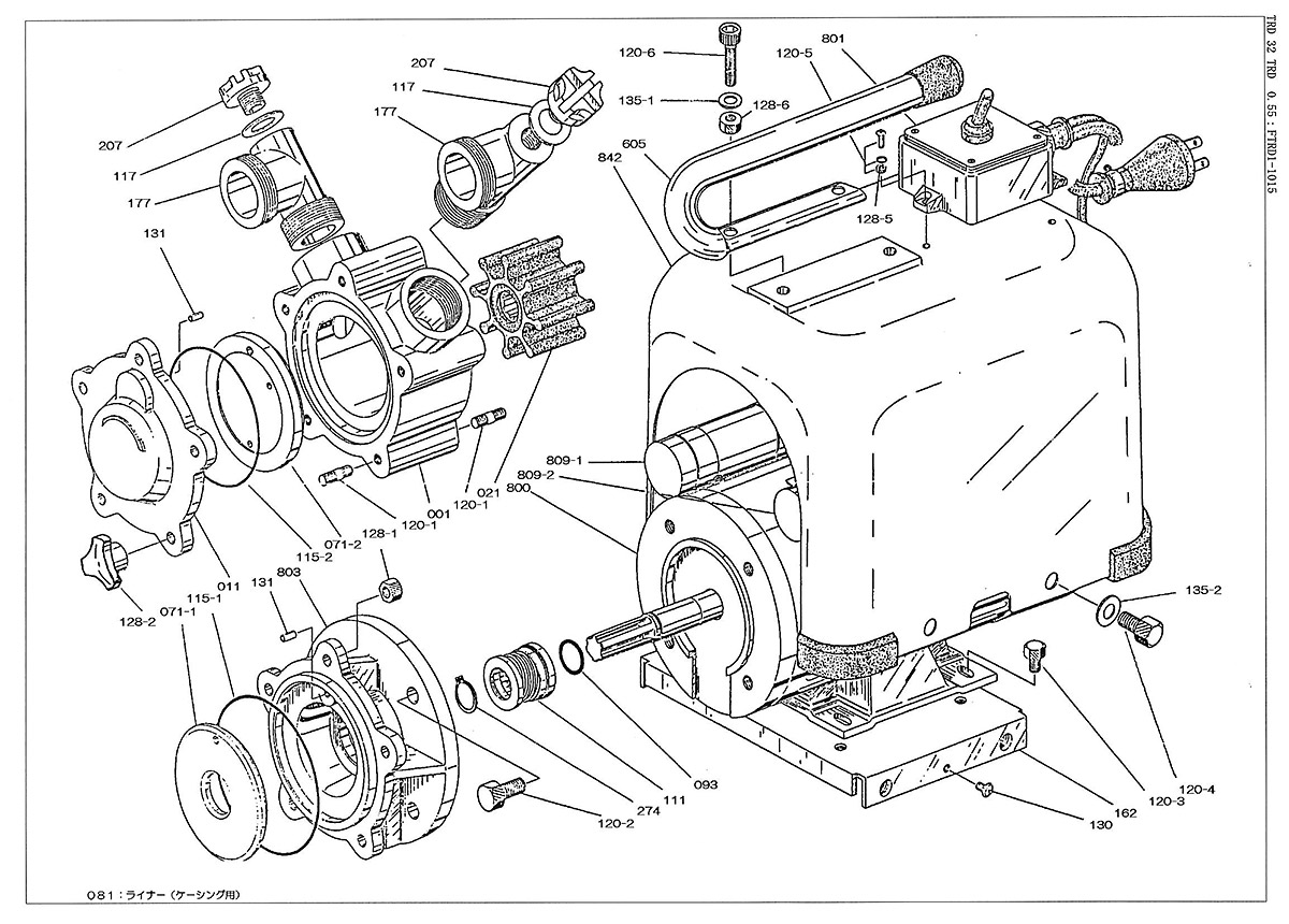
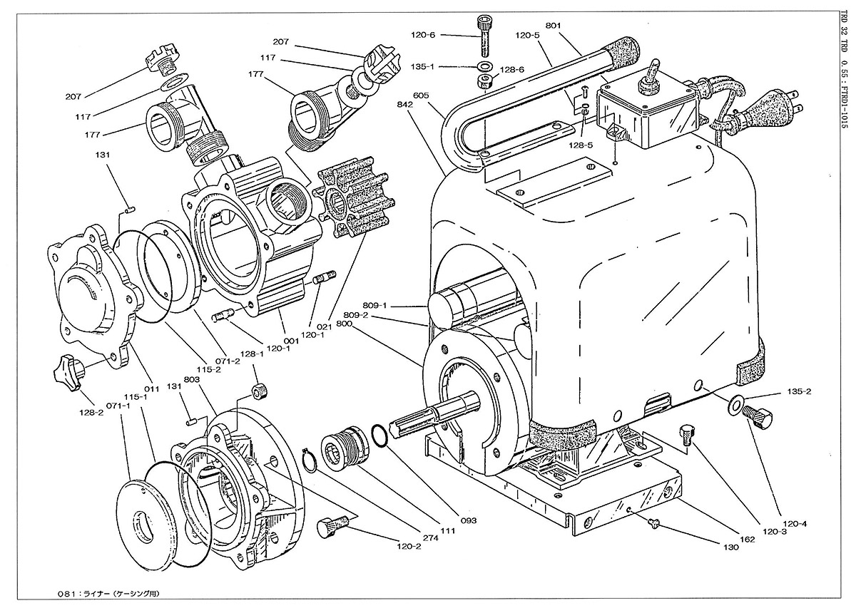
TRD型ラバーベーンポンプ
本体
TRD型部品
001~099
100~119
120~129
130~274
605~901-2
ケルヒャー
家庭用
高圧洗浄機
散水シリーズ
スイーパー
モバイルクリーナー
スチームクリーナー
窓用バキュームクリーナー
バキュームクリーナー
スティッククリーナー
フロアクリーナー
アクセサリー
洗浄剤
コードレス
業務用
高圧洗浄機
バキュームクリーナー
カーペットクリーナー
スチームクリーナー
窓用バキュームクリーナー
床洗浄機
スイーパー、バキュームスイーパー
産業用バキュームクリーナー
シティクリーナー
ドライアイス洗浄
マニュアルクリーニング
洗浄剤
アクセサリー
キョーワ
キョーワクリーン
キョ-ワテスター
手動テストポンプ
ジェットポンプ
備品一覧
KYC-708
KYC-708本体
カタログ請求
リョービ
キョーワテスター
キョーワ手動/テスター
T-50K/KP・100K
T-50/300/500/1000・N
オプション
T-508/水圧テスタテスタ-
面取機
カラン用水圧測定器
水槽付電動テストポンプ
A-type・KY-20A/40A型
B-type・KY-100型
C-type・KY-300型
D-type・KY-300N型
E-type・KY-400/400H型
F-type/KY-400H型
G-type/KY-300E型
H-type・KY-400E型
KY-20A/40A用付属品
キョーワクリーン
A-type・KYC-20A/40A型
B-type・KYC-408/210N-1型
C-type・KYC-300型
D-type・KYC-300H型
E-type・KYC-400/400H型
F-type・KYC-300E/400E
G-type・KYC-300EH型
H-type・KYC-500E型
J-type・KYZ型
L-type・KYC-100EN-1型-
各種ノズル関係
洗浄ノズル及び部品
洗管用ノズル
ホースリール及びポリタンク
ジェットポンプ
高圧洗浄機メーカ各社
蔵王産業㈱
(株)工進
他社・当社/NET価格競争
高圧洗浄機
JCEシリーズ
共通バッテリーシリーズ
充電式草刈機
手押式充電草刈機
本体
オプション
手押式エンジン草刈機
伸縮ポールヘッジトリマ
伸縮ポールヘッジトリマ
ヘッジトリマー
本体
オプション
各種
小型チェンソー
チェンソー
伸縮ポールチェンソー
ブロワ
サイクロン掃除機
サイクロン掃除機・パーツ
洗浄機・高圧洗浄機
除雪機
エンジン式
充電式
発電機
インバーター
スタンダード
噴霧器・他
SLS/バッテリー充電式
エンジン動噴
ES/カスケード式
ES/高圧シングルピストン式
MS-ERH/タンクキャリー式
DM-30/洗浄動噴射
MS-25/電動噴霧器
背負式
除草専用
手動式
除草専用落下式
ステンレス製
肩掛式手動
電気式
電池式
蓄圧式
肥料散布機・散粒機・散粉機
水中ポンプ
YK-▢▢▢・YK-▢▢▢A
SMB・SM・FT・SM-X
PX/汚水用
PSK/汚物用
PZ/汚物用
SK-▢▢▢▢/海水用
エンジンポンプ・他
エンジンポンプ
超軽量4サイクルエンジン搭載
2サイクルエンジン搭載
SEV/工進
SE(R)H-50V/高圧
SEM/三菱
SEM-GB/三菱
SEH-50P/ホンダ
PGH-50/高性能樹脂製
モーターポンプ
単体ポンプ・ブロワポンプ
単体ポンプ
AGポンプ
GB単体ポンプ
GC単体ポンプ
SU単体ポンプ
浄化槽用エアーポンプ
ドラムポンプ
手動ドラムポンプ
電動ドラムポンプ
充電式ドラムポンプ
乾電池ドラムポンプ
(株)工進/販売終了商品
(株)岡常歯車製作所
MRシリーズ
TOHIN/ハイパワークリーナ
クリーナー
ブロワ
換気扇清掃サービス
貯水槽清掃サービス
各種洗浄機器
長靴・靴底洗浄機/長靴乾燥機
販売終了商品
洗浄薬剤
用途
家庭用
碍子
Web市場販売
ホース
見積記録
全て
|
エバラ
|
TRD型ラバーベーンポンプ
25件
の商品が見つかりました
20件
40件
60件
価格が低い順
価格が高い順
新着順
120-3
¥0
数量
カートに入れる
800-0
¥0
数量
カートに入れる
128-1
¥0
数量
カートに入れる
800-0
¥0
数量
カートに入れる
800-0
¥0
数量
カートに入れる
800-0
¥0
数量
カートに入れる
800-0
¥0
数量
カートに入れる
131
¥0
数量
カートに入れる
800-0
¥0
数量
カートに入れる
135-2
¥0
数量
カートに入れる
162
¥0
数量
カートに入れる
800-0
¥0
数量
カートに入れる
207
¥0
数量
カートに入れる
274
¥0
数量
カートに入れる
800-0
¥0
数量
カートに入れる
800-0
¥0
数量
カートに入れる
800-0
¥0
数量
カートに入れる
800-0
¥0
数量
カートに入れる
800-0
¥0
数量
カートに入れる
800-0
¥0
数量
カートに入れる
カートに追加しました。
お買い物を続ける
カートへ進む
1
2
次へ
全ての商品
〈併設:電気計測器レンタル〉
SOUKOU
数字
A
AD・ADGR・ADT
AMB・AMT
B
BCT
C
CBT
CC・CGRT
CR
CRT
D
DC
DGR
DMC・DMM・DMR
DPU・DR・DTT
E
E3
ECT・ELB・ERC
ET
F
FVT
G
GER
GR・DGR
H
HD
HMR・HSCB
HVM
HVT
I
IP
IP-11K
IP-15K
IP-25K
IP-30K
IP-50K
L
LH
L-K
L-22K
L-30K
L-50K
L-75.9
M
MGA
MK
MSC
O
OCR
P
PCC
PF
PT
R
RT
S
SET・SRL
SCK
T
TL
TT-K
TT-15K
TT-25K
TT-30K
TT-50K
TT-75K
TT-100K
T-K
V
VCB
VCBT
VR
W
WS
MUSASHI
W
清掃・洗浄機器レンタル
Panasonic
クローラー洗浄機
プールクリーナー「翠」
高圧洗浄機
スーパー工業(株)
生産終了製品
フルテック
カタログ・関連資料
メーカ/カタログ
ガソリンエンジン式洗浄機
開放コンパクト型JA
開放コンパクト型JA/JX
開放コンパクト型JQ/JP/JQ-N
開放カート型GC
開放フレーム型GF
フィルター内蔵開放フレーム型GK
GK/ステンレスタンク付ボックス型ST-G
セル付開放型GFS
簡易防音型GE
防音型GBX/GB
セル付防音型GSB/GSX
GSB
GSB730
GSB1021
GSB1515
GSB2013
GSB2015
GSB1520
GSB1030sd
ディーゼルエンジン式洗浄機
セル付防音型DSB
5100DSB
モーター式洗浄機
100Vキャリー型
100Vカート型
フレーム型MF
カート型TX/TSX/MPF
カート型MPC
ステンレスタンク付ボックス型ST-M
省スペース型MH
MH1011P
MH1518P
MH2014P
MH3018P
MH3515P
MH5020P
MH7015P
MH10010iP
製品
標準付属品
省スペース防爆モーター搭載MI
ペンジェットクリーナーPJ
モーター式洗浄機(温水)
貯湯式温水洗浄機PH
温水型HC
HC806
HC1513
HC2015
無燃焼式温水形CH
温水ユニット
温水ユニットG
ミスト装置
ミストシステムMS-P/704・708
アクセサリー
ミストユニットMUM602
その他製品
ボリュームジェットVJ
ライムワイヤーLW
スチームクリーナー
特注機
洗浄機アクセサリ-
洗浄ガン
超高圧洗浄ガン本体
大容量洗浄ガン本体
肩当てサポート
ウィーピング洗浄ガン
トリガなしガン
超高圧ダンプガンセット
洗浄ガン・カプラー付
標準ランス・各種ランス・タービンガン
標準ノズル・各種ノズル・洗浄ホース
カプラ・クリーナー・インジェクター
KYUU水アクセサリー・フィルター
FII
バルブ
フットバルブ/ジョイント
洗管ノズル
RO
RT3/BFS(6)
RT1/2FS(6)
ロケットノズル前方
RT1/8FS(3+1)
RT1/4FS(3+1)
RT3/8FS(3+1)
スネークノズル
SKM7FS
SK1/BFS
SK1/4FS
ターボノズル前進型
TB1/8F
TB1/4F
TB3/8F
ターボノズル懸垂型
洗管ノズル
シャトルノズル
超旋回ノズル
ロケットノズル
回転ノズルミニ
ミリングノズル
エッジ付ターボノズル
側溝ノズル
洗管ホース
ウレタンホース
ネットワイヤーホース
ウレタンコートネットワイヤーホース
ウレタンオレンジホース
ウレタンオレンジホース(ノズル付)
ウレタンブラックホース
塩ビホース
スイーパー/発電機/ポータブルファン
業務手押式式スイーパー
発電機
ポータブルファン
集荷レール/ガソリン携行
アルミ積荷レール
車輪ストッパー
バキュームクリーナー
パイプクリーナー
ガソリン携行缶
燃料劣化防止剤
ポンプ/エンジンオイル
防護服
ツルミ
ジェットポンプ
MTWMTWMTW
HPJ型
タンク付・高処揚水タイプ
100・200・300
500・700
1000・5000・7000
1000
7000
10000
15000
HPJ-H型
HPJ-100
HPJ-200
HPJ-300
HPJ-500
HPJ-700
HPJ-E型
ノズル一覧
ノズル
タイヤ洗浄システムMTW形
各種ツルミ関連商品
JS型/可搬式集塵
JV型/掃除用ジェットバキューマー
JF型/換気用ジェットファン
TBW型/長靴洗浄用長靴洗浄機
エバラ
TRD型ラバーベーンポンプ
本体
TRD型部品
001~099
100~119
120~129
130~274
605~901-2
ケルヒャー
家庭用
高圧洗浄機
散水シリーズ
スイーパー
モバイルクリーナー
スチームクリーナー
窓用バキュームクリーナー
バキュームクリーナー
スティッククリーナー
フロアクリーナー
アクセサリー
洗浄剤
コードレス
業務用
高圧洗浄機
バキュームクリーナー
カーペットクリーナー
スチームクリーナー
窓用バキュームクリーナー
床洗浄機
スイーパー、バキュームスイーパー
産業用バキュームクリーナー
シティクリーナー
ドライアイス洗浄
マニュアルクリーニング
洗浄剤
アクセサリー
キョーワ
キョーワクリーン
キョ-ワテスター
手動テストポンプ
ジェットポンプ
備品一覧
KYC-708
KYC-708本体
カタログ請求
リョービ
キョーワテスター
キョーワ手動/テスター
T-50K/KP・100K
T-50/300/500/1000・N
オプション
T-508/水圧テスタテスタ-
面取機
カラン用水圧測定器
水槽付電動テストポンプ
A-type・KY-20A/40A型
B-type・KY-100型
C-type・KY-300型
D-type・KY-300N型
E-type・KY-400/400H型
F-type/KY-400H型
G-type/KY-300E型
H-type・KY-400E型
KY-20A/40A用付属品
キョーワクリーン
A-type・KYC-20A/40A型
B-type・KYC-408/210N-1型
C-type・KYC-300型
D-type・KYC-300H型
E-type・KYC-400/400H型
F-type・KYC-300E/400E
G-type・KYC-300EH型
H-type・KYC-500E型
J-type・KYZ型
L-type・KYC-100EN-1型-
各種ノズル関係
洗浄ノズル及び部品
洗管用ノズル
ホースリール及びポリタンク
ジェットポンプ
高圧洗浄機メーカ各社
蔵王産業㈱
(株)工進
他社・当社/NET価格競争
高圧洗浄機
JCEシリーズ
共通バッテリーシリーズ
充電式草刈機
手押式充電草刈機
本体
オプション
手押式エンジン草刈機
伸縮ポールヘッジトリマ
伸縮ポールヘッジトリマ
ヘッジトリマー
本体
オプション
各種
小型チェンソー
チェンソー
伸縮ポールチェンソー
ブロワ
サイクロン掃除機
サイクロン掃除機・パーツ
洗浄機・高圧洗浄機
除雪機
エンジン式
充電式
発電機
インバーター
スタンダード
噴霧器・他
SLS/バッテリー充電式
エンジン動噴
ES/カスケード式
ES/高圧シングルピストン式
MS-ERH/タンクキャリー式
DM-30/洗浄動噴射
MS-25/電動噴霧器
背負式
除草専用
手動式
除草専用落下式
ステンレス製
肩掛式手動
電気式
電池式
蓄圧式
肥料散布機・散粒機・散粉機
水中ポンプ
YK-▢▢▢・YK-▢▢▢A
SMB・SM・FT・SM-X
PX/汚水用
PSK/汚物用
PZ/汚物用
SK-▢▢▢▢/海水用
エンジンポンプ・他
エンジンポンプ
超軽量4サイクルエンジン搭載
2サイクルエンジン搭載
SEV/工進
SE(R)H-50V/高圧
SEM/三菱
SEM-GB/三菱
SEH-50P/ホンダ
PGH-50/高性能樹脂製
モーターポンプ
単体ポンプ・ブロワポンプ
単体ポンプ
AGポンプ
GB単体ポンプ
GC単体ポンプ
SU単体ポンプ
浄化槽用エアーポンプ
ドラムポンプ
手動ドラムポンプ
電動ドラムポンプ
充電式ドラムポンプ
乾電池ドラムポンプ
(株)工進/販売終了商品
(株)岡常歯車製作所
MRシリーズ
TOHIN/ハイパワークリーナ
クリーナー
ブロワ
換気扇清掃サービス
貯水槽清掃サービス
各種洗浄機器
長靴・靴底洗浄機/長靴乾燥機
販売終了商品
洗浄薬剤
用途
家庭用
碍子
Web市場販売
ホース
見積記録
カテゴリ一覧
〈併設:電気計測器レンタル〉
SOUKOU
数字
A
AD・ADGR・ADT
AMB・AMT
B
BCT
C
CBT
CC・CGRT
CR
CRT
D
DC
DGR
DMC・DMM・DMR
DPU・DR・DTT
E
E3
ECT・ELB・ERC
ET
F
FVT
G
GER
GR・DGR
H
HD
HMR・HSCB
HVM
HVT
I
IP
IP-11K
IP-15K
IP-25K
IP-30K
IP-50K
L
LH
L-K
L-22K
L-30K
L-50K
L-75.9
M
MGA
MK
MSC
O
OCR
P
PCC
PF
PT
R
RT
S
SET・SRL
SCK
T
TL
TT-K
TT-15K
TT-25K
TT-30K
TT-50K
TT-75K
TT-100K
T-K
V
VCB
VCBT
VR
W
WS
MUSASHI
W
清掃・洗浄機器レンタル
Panasonic
クローラー洗浄機
プールクリーナー「翠」
高圧洗浄機
スーパー工業(株)
生産終了製品
フルテック
カタログ・関連資料
メーカ/カタログ
ガソリンエンジン式洗浄機
開放コンパクト型JA
開放コンパクト型JA/JX
開放コンパクト型JQ/JP/JQ-N
開放カート型GC
開放フレーム型GF
フィルター内蔵開放フレーム型GK
GK/ステンレスタンク付ボックス型ST-G
セル付開放型GFS
簡易防音型GE
防音型GBX/GB
セル付防音型GSB/GSX
GSB
GSB730
GSB1021
GSB1515
GSB2013
GSB2015
GSB1520
GSB1030sd
ディーゼルエンジン式洗浄機
セル付防音型DSB
5100DSB
モーター式洗浄機
100Vキャリー型
100Vカート型
フレーム型MF
カート型TX/TSX/MPF
カート型MPC
ステンレスタンク付ボックス型ST-M
省スペース型MH
MH1011P
MH1518P
MH2014P
MH3018P
MH3515P
MH5020P
MH7015P
MH10010iP
製品
標準付属品
省スペース防爆モーター搭載MI
ペンジェットクリーナーPJ
モーター式洗浄機(温水)
貯湯式温水洗浄機PH
温水型HC
HC806
HC1513
HC2015
無燃焼式温水形CH
温水ユニット
温水ユニットG
ミスト装置
ミストシステムMS-P/704・708
アクセサリー
ミストユニットMUM602
その他製品
ボリュームジェットVJ
ライムワイヤーLW
スチームクリーナー
特注機
洗浄機アクセサリ-
洗浄ガン
超高圧洗浄ガン本体
大容量洗浄ガン本体
肩当てサポート
ウィーピング洗浄ガン
トリガなしガン
超高圧ダンプガンセット
洗浄ガン・カプラー付
標準ランス・各種ランス・タービンガン
標準ノズル・各種ノズル・洗浄ホース
カプラ・クリーナー・インジェクター
KYUU水アクセサリー・フィルター
FII
バルブ
フットバルブ/ジョイント
洗管ノズル
RO
RT3/BFS(6)
RT1/2FS(6)
ロケットノズル前方
RT1/8FS(3+1)
RT1/4FS(3+1)
RT3/8FS(3+1)
スネークノズル
SKM7FS
SK1/BFS
SK1/4FS
ターボノズル前進型
TB1/8F
TB1/4F
TB3/8F
ターボノズル懸垂型
洗管ノズル
シャトルノズル
超旋回ノズル
ロケットノズル
回転ノズルミニ
ミリングノズル
エッジ付ターボノズル
側溝ノズル
洗管ホース
ウレタンホース
ネットワイヤーホース
ウレタンコートネットワイヤーホース
ウレタンオレンジホース
ウレタンオレンジホース(ノズル付)
ウレタンブラックホース
塩ビホース
スイーパー/発電機/ポータブルファン
業務手押式式スイーパー
発電機
ポータブルファン
集荷レール/ガソリン携行
アルミ積荷レール
車輪ストッパー
バキュームクリーナー
パイプクリーナー
ガソリン携行缶
燃料劣化防止剤
ポンプ/エンジンオイル
防護服
ツルミ
ジェットポンプ
MTWMTWMTW
HPJ型
タンク付・高処揚水タイプ
100・200・300
500・700
1000・5000・7000
1000
7000
10000
15000
HPJ-H型
HPJ-100
HPJ-200
HPJ-300
HPJ-500
HPJ-700
HPJ-E型
ノズル一覧
ノズル
タイヤ洗浄システムMTW形
各種ツルミ関連商品
JS型/可搬式集塵
JV型/掃除用ジェットバキューマー
JF型/換気用ジェットファン
TBW型/長靴洗浄用長靴洗浄機
エバラ
TRD型ラバーベーンポンプ
本体
TRD型部品
001~099
100~119
120~129
130~274
605~901-2
ケルヒャー
家庭用
高圧洗浄機
散水シリーズ
スイーパー
モバイルクリーナー
スチームクリーナー
窓用バキュームクリーナー
バキュームクリーナー
スティッククリーナー
フロアクリーナー
アクセサリー
洗浄剤
コードレス
業務用
高圧洗浄機
バキュームクリーナー
カーペットクリーナー
スチームクリーナー
窓用バキュームクリーナー
床洗浄機
スイーパー、バキュームスイーパー
産業用バキュームクリーナー
シティクリーナー
ドライアイス洗浄
マニュアルクリーニング
洗浄剤
アクセサリー
キョーワ
キョーワクリーン
キョ-ワテスター
手動テストポンプ
ジェットポンプ
備品一覧
KYC-708
KYC-708本体
カタログ請求
リョービ
キョーワテスター
キョーワ手動/テスター
T-50K/KP・100K
T-50/300/500/1000・N
オプション
T-508/水圧テスタテスタ-
面取機
カラン用水圧測定器
水槽付電動テストポンプ
A-type・KY-20A/40A型
B-type・KY-100型
C-type・KY-300型
D-type・KY-300N型
E-type・KY-400/400H型
F-type/KY-400H型
G-type/KY-300E型
H-type・KY-400E型
KY-20A/40A用付属品
キョーワクリーン
A-type・KYC-20A/40A型
B-type・KYC-408/210N-1型
C-type・KYC-300型
D-type・KYC-300H型
E-type・KYC-400/400H型
F-type・KYC-300E/400E
G-type・KYC-300EH型
H-type・KYC-500E型
J-type・KYZ型
L-type・KYC-100EN-1型-
各種ノズル関係
洗浄ノズル及び部品
洗管用ノズル
ホースリール及びポリタンク
ジェットポンプ
高圧洗浄機メーカ各社
蔵王産業㈱
(株)工進
他社・当社/NET価格競争
高圧洗浄機
JCEシリーズ
共通バッテリーシリーズ
充電式草刈機
手押式充電草刈機
本体
オプション
手押式エンジン草刈機
伸縮ポールヘッジトリマ
伸縮ポールヘッジトリマ
ヘッジトリマー
本体
オプション
各種
小型チェンソー
チェンソー
伸縮ポールチェンソー
ブロワ
サイクロン掃除機
サイクロン掃除機・パーツ
洗浄機・高圧洗浄機
除雪機
エンジン式
充電式
発電機
インバーター
スタンダード
噴霧器・他
SLS/バッテリー充電式
エンジン動噴
ES/カスケード式
ES/高圧シングルピストン式
MS-ERH/タンクキャリー式
DM-30/洗浄動噴射
MS-25/電動噴霧器
背負式
除草専用
手動式
除草専用落下式
ステンレス製
肩掛式手動
電気式
電池式
蓄圧式
肥料散布機・散粒機・散粉機
水中ポンプ
YK-▢▢▢・YK-▢▢▢A
SMB・SM・FT・SM-X
PX/汚水用
PSK/汚物用
PZ/汚物用
SK-▢▢▢▢/海水用
エンジンポンプ・他
エンジンポンプ
超軽量4サイクルエンジン搭載
2サイクルエンジン搭載
SEV/工進
SE(R)H-50V/高圧
SEM/三菱
SEM-GB/三菱
SEH-50P/ホンダ
PGH-50/高性能樹脂製
モーターポンプ
単体ポンプ・ブロワポンプ
単体ポンプ
AGポンプ
GB単体ポンプ
GC単体ポンプ
SU単体ポンプ
浄化槽用エアーポンプ
ドラムポンプ
手動ドラムポンプ
電動ドラムポンプ
充電式ドラムポンプ
乾電池ドラムポンプ
(株)工進/販売終了商品
(株)岡常歯車製作所
MRシリーズ
TOHIN/ハイパワークリーナ
クリーナー
ブロワ
換気扇清掃サービス
貯水槽清掃サービス
各種洗浄機器
長靴・靴底洗浄機/長靴乾燥機
販売終了商品
洗浄薬剤
用途
家庭用
碍子
Web市場販売
ホース
見積記録
カートを見る
新規会員登録
お気に入り
ログイン
ホームに戻る
ページトップへ